Wärmerückgewinnung in Schulen

MKW 1500 Wärmerückgewinnung für die Schule 500 - 1500 m³/h

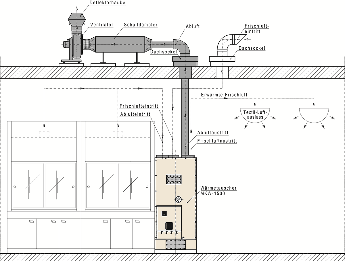
Wärmerückgewinnung in Schule MKW 1500

Kompakte Wärmerückgewinnung mit integrierter Zuluftanlage für Schule, kleine und mittlere Industrieanlagen und große Labore


Aufgabe der Wärmetauscher aus Kunststoff:

Durch die Umsetzung der geltenden Wärmeschutzverordnungen bei Gebäuden werden die Räume immer luftdichter, sodass ein natürliches Nachströmen der Zuluft in die Räume nicht mehr erfolgt. Bei der Absaugung von Gefahrstoffschränken oder schon beim Einschalten eines Digestoriums entsteht in kürzester Zeit ein Unterdruck. Fluchtwege werden durch schwer zu öffnende Türen behindert. Die Abluftüberwachung der Digestorien schaltet auf Störung.

Lösung:

Kompakte Wärmerückgewinnung mit integrierter Lüftung für die Bereiche Schule und Großlabore , mit einem Bedarf von 1-3 Abzügen und/oder permanent abgesaugte Gefahrstoffschränke.

Die Anlage besteht aus folgenden Komponenten:

  • Kreuzstromwärmetauscher aus PE
  • drehzahl-geregelter Zuluftventilator
  • Zuluftfilter
  • Warmwasserheitzregister
  • Thermostat-Regelventil
  • Filterüberwachung, mittels Differenzdrucküberwachung, mit Meldekontakt
  • Kondensatablauf
  • Schaltschrank mit Siemens LOGO-Steuerung

Für bis zu 7.500 m3/h: Wärmetauscher für Industrieanwendungen

Wärmerückgewinnung in Schulen:
Jetzt anfragen

Technische Daten:

  • Abmessungen: 850x870x1900 mm (B x T x H)
  • Anschluss Abluft: 250 mm
  • Anschluss Frischluft: 250 mm
  • Wirkungsgrad: > 60%
  • Schalldruckpegel: < 52 dB(A)
  • Heizleistung: 12 kW, stufenlos
  • Spannungsversorgung: 1 x 230V/50Hz+N+PE Wechselspannung
  • Vorsicherung: 1 x B16A mit FI-Schutzschalter Fehlerstrom: 30 mA
  • Querschnitt: 3 x 1,5 mm2
  • Luftmenge: 500m3/h-1500m3/h
  • Druckverlust
    Abluft: 350 Pa bei 1500 m3/h,
    270 PA bei 680 m3/h
  • Gewicht: 67 kg

 

MKW-1500:

Wärmetauscher mit einer Kapazität von 200 - 1.500 m3/h. Für Schulen, kleine und mittlere Industrieanlagen oder Labore, in Verbindung mit einem Schalldämpfer und ML-Radialventilator.

Schule-Wärmetauscher